实验一:万有引力的大小与相互作用的两个物体的温度和质量有关
主要仪器:天津市科教仪器厂生产的引力常量实验仪(如图1-1)
图1-1
如图1-1引力常量实验仪的主要部分是一个T形架,倒挂在一根金属丝的下端,T形架水平部分的两端各装一个质量是m的小球,T形架的竖直部分装一面小平面镜E,它能把射来的光线反射到刻度尺上,这样就能定性地测量金属丝的扭转。
已知条件:引力的大小
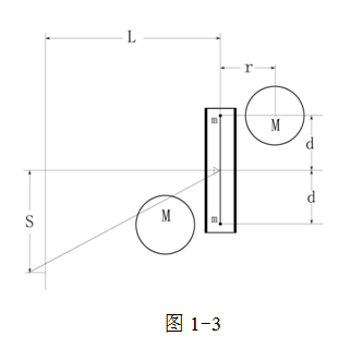
1、反光平面镜距离墙上坐标纸的距离L=3.20m
2、小铅球质量m=0.02kg 大铅球质量M=1.5kg
3、扭秤臂长d=5×10-2m
4、扭秤的自由扭转振动周期为T=590s
5、S为扭秤静止时光点的移动量,如图1-3
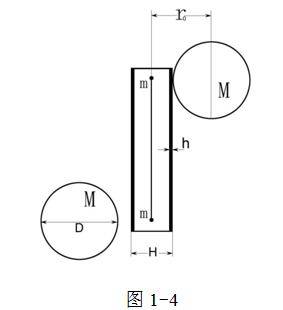
6、主体框的厚度H≈0.025m,玻璃的厚度h≈0.002m,大铅球直径
D≈0.0635m,如图1-4。
大小铅球间的质心距

(一)大小铅球与室内环境温度达成平衡,室内环境温度为28℃,大小铅球的质心距离为0.046m,扭秤平衡时,光点在坐标纸上移动了0.035m,这时引力的大小

结论:当室内环境温度为28℃,大小铅球温度与室内环境温度达成平衡,大小铅球的质心距离为0.046m时,大小铅球相互吸引,这种吸引力的大小约为3.84×10-10N。
将上述室温迅速降至26℃时,光标移动到20cm后往回移。
结论:当室内环境温度下降2℃,大小铅球温度相对环境温度提高 2℃,这时大小铅球间的引力明显增大。
(二)将两个大铅球放到冰箱里冷冻,使其温度降至-14℃后放到仪器上,使大小球的球心距离r=9×10-2 m,室内环境温度为26℃,这时发现光点在坐标纸上移动的最大距离为-32×10-2 m,可以大约估算扭秤平衡时,光点的移动量S≈16×10-2 m,这时引力的大小

下面我们换算一下在上述实验温度条件下,当大小铅球间的质心距离r0=0.046m时,引力大小是多少:因为引力大小与大小铅球间的质心距离的平方成反比,用F0代表质心距为0.046m时的引力大小,那么
结论:当室内环境温度为26℃,小球温度与环境温度达成平衡,大球温度为-14℃,大小铅球质心距为4.6cm时大小铅球相互排斥,这种排斥力的大小约为6.7×10-9N,这一排斥力是环境温度下测得的引力大小的17.5倍。
(三)将两个大铅球的温度用热水升高至约50℃后放到仪器上,使大小铅球的质心距离r=7×10-2 m,室内环境温度为24℃,这时发现光点在坐标纸上移动的最大距离为33×10-2 m,可以大约估算扭秤平衡时光点的移动量S=16.5×10-2 m,这时引力的大小
在上述实验温度条件下,当大小铅球间的质心距离为r0=0.046m时,
引力大小
结论:当室内环境温度为24℃,小铅球温度与室内环境温度达到平衡,大铅球温度约为50℃,大小铅球质心距离为4.6cm时,大小铅球相互吸引,这一吸引力约是环境温度下测得的引力大小的11倍。
(四)室内环境温度为25℃,将两本厚为0.5cm的书分别竖着放到距离两个小铅球2cm处,等小铅球和书与室内环境温度达到平衡后,光点停留在坐标纸上,将两个被冷冻了的大铅球(温度约为-14℃)放置到仪器上,大小铅球的质心距离r=9×10-2m,这时发现光点在坐标纸上移动的最大距离为5.5×10-2m,可以大约估算扭秤平衡时光点的移动量S=2.75×10-2m。
结论:当冰冷的大铅球放置到仪器上时,围绕小铅球和书的局部小环境温度降低,小铅球和书的温度高于局部小环境的温度,并且小铅球与书的距离很近,所以表现为小铅球与书之间的相互吸引,事实上这一力等于小铅球与书的引力减去大铅球对小铅球的排斥力,由于大铅球距离小铅球很远,所以表现为小铅球与书之间的相互引力。
(五)室内环境温度为22℃,将两块厚为0.4cm的橡胶分别竖立在距离小铅球约为2cm处,等小铅球和橡胶片与室内环境温度达成平衡后,光点停留在坐标纸上,将两个被冷冻了的大铅球(温度约为-14℃)放置到仪器上,大小铅球的质心距离r=9×10-2m,这时发现光点在坐标纸上移动的最大距离为3.5×10-2m,可以大约估算扭秤平衡时光点的移动量S=1.75×10-2m。
结论:当冰冷的大铅球放置到仪器上时,围绕小铅球和橡胶片的局部小环境温度降低,小铅球和橡胶片的温度高于局部小环境的温度,并且小铅球与橡胶片的距离很近,所以表现为小铅球与橡胶片之间的相互吸引力,事实上这一力等于小铅球与橡胶片的引力减去大铅球对小铅球的排斥力。由于大铅球距离小铅球较远,排斥力没有表现出来。
(六)室内环境温度为23℃,将两块厚度为0.4cm的橡胶片分别竖立在距离小铅球约为2cm处,等小铅球和橡胶片与室内环境温度达成平衡后,光点停留在坐标纸上,将两个用热水加热了的大铅球(温度约为50℃)放置到仪器上,大小铅球的质心距离r=9×10-2m,这时发现光点在坐标纸上移动的最大距离为-3.5×10-2m,可以大约估算扭秤静止时光点的移动量S=-1.75×10-2m。
结论:当具有较高温度的大铅球放置到仪器上时,围绕小铅球和橡胶片的局部小环境温度升高,小铅球和橡胶片的温度低于局部小环境的温度,并且小铅球与橡胶片的距离很近,所以表现为小铅球与橡胶片之间的相互排斥力,事实上这一排斥力等于小铅球与橡胶片之间的排斥力减去小铅球与大铅球之间的吸引力。
(七)室内环境温度为22℃,将两块厚度为0.4cm的橡胶片分别竖立在距离小铅球约为2cm处,将两个大铅球放置到仪器上,大小铅球的质心距离r=6.5×10-2m,等到大小铅球以及橡胶片的温度与室内环境温度达到平衡时,光点停留在坐标纸上,这时迅速降低室温至18℃,发现光点在坐标纸上移动的最大距离为45×10-2m,可以大约估算扭秤平衡时光点的移动量S=22.5×10-2m。
结论:当大小铅球及橡胶片与室内环境温度达到平衡时,迅速降低室内环境温度,这时大小铅球及橡胶片的温度均高于室内环境温度,它们表现为相互吸引。
总结:一个物体对另一个物体产生吸引力还是排斥力,取决于这个物体所在位置的环境温度和这个物体的自身温度,易子气充满整个宇宙空间,当环境温度一定时,易子气的密度也是一定的,如图1-5,温度越高易子气的密度就越小,温度越低易子气的密度就越大。当一个物体A的温度高于环境温度时,物体A周围的易子分布如图1-6,距离物体A越近,易子的密度越小。宇宙中的任何物体都是由质子和电子组成的,而处在易子气中的质子和电子每时每刻都在运动,运动着的质子和电子总是由易子气密度大的地方向易子气密度小的地方移动,这就是为什么物体A附近的物体总是要受到物体A的吸引的原因。
当一个物体B的温度低于环境温度时,物体B周围的易子分布如图1-7,距离物体B越近,易子的密度越大,处在物体B附近的物体要从易子气密度大的地方向易子气密度小的地方移动,表现为物体B附近的物体总是受到物体B的排斥。几个温度不同的物体对某一点物体的作用力是吸引还是排斥,要看这几个温度不同的物体对这一点周围易子气密度产生的综合影响。如图1-8,大铅球C温度低、质量大,对其周围易子的密度影响大,在其周围很大空间范围内易子密度较大,橡胶片E温度较大铅球高,在其周围易子密度小,由于橡胶片的质量小对周围易子密度的影响范围小,但是橡胶片距离小铅球D的距离很近,所以对小铅球的影响较大,加之小铅球的温度也比大铅球温度高,所以小铅球被吸引,而不是被大铅球排斥。